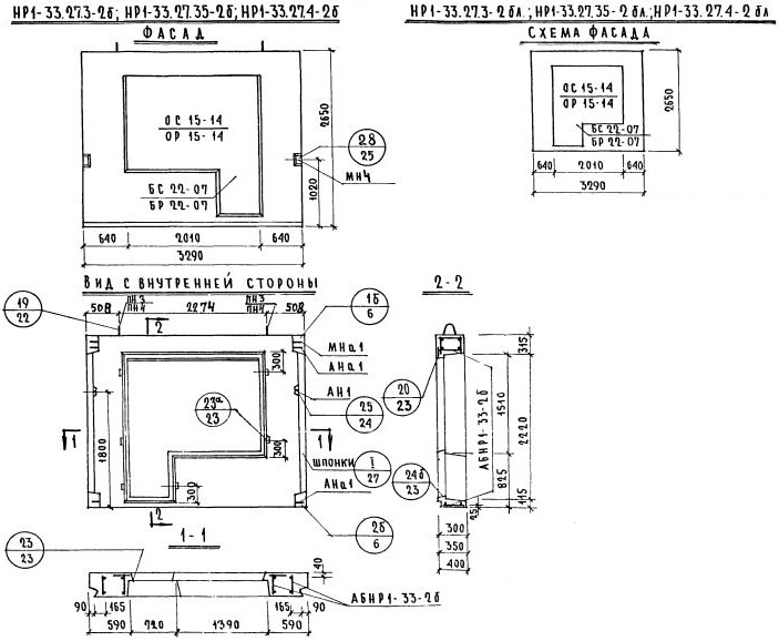
НР1-33.27.35-2б
Характеристики изделия:
| Параметр | Значение |
|---|---|
| Длина | 3290 мм |
| Ширина | 350 мм |
| Высота | 2650 мм |
| Масса | 2730 кг |
| Нормативный документ | Серия 1.132-1 |
Цена:
Рассчитать стоимостьНР1-33.27.35-2б Наружная стеновая панель рядовая по Серии 1.132-1.
| Параметр | Значение |
|---|---|
| Длина | 3290 мм |
| Ширина | 350 мм |
| Высота | 2650 мм |
| Масса | 2730 кг |
| Нормативный документ | Серия 1.132-1 |
НР1-33.27.35-2б Наружная стеновая панель рядовая по Серии 1.132-1.