НР1-36.29.35-3
Характеристики изделия:
| Параметр | Значение |
|---|---|
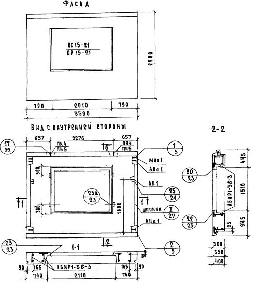
| Длина | 3590 мм |
| Ширина | 350 мм |
| Высота | 2900 мм |
| Масса | 3500 кг |
| Нормативный документ | Серия 1.132-1 |
Цена:
Рассчитать стоимостьНР1-36.29.35-3 Наружная стеновая панель рядовая по Серии 1.132-1.
| Параметр | Значение |
|---|---|
| Длина | 3590 мм |
| Ширина | 350 мм |
| Высота | 2900 мм |
| Масса | 3500 кг |
| Нормативный документ | Серия 1.132-1 |
НР1-36.29.35-3 Наружная стеновая панель рядовая по Серии 1.132-1.