НР4-29.29.35-5-1

Чертеж изделия:
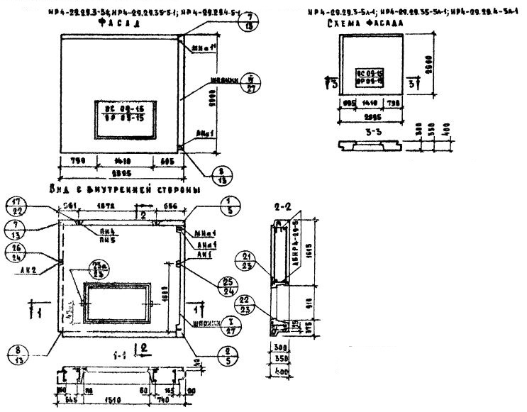
Чертеж НР4-29.29.35-5-1
Характеристики изделия:
ПараметрЗначение
Длина2895 мм
Ширина350 мм
Высота2900 мм
Масса3400 кг
Нормативный документСерия 1.132-1

НР4-29.29.35-5-1   Наружная стеновая панель рядовая по Серии 1.132-1.