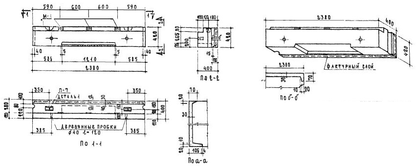
НБ-24.4.4П

Чертеж изделия:
Чертеж НБ-24.4.4П
Характеристики изделия:
ПараметрЗначение
Длина2380 мм
Ширина400 мм
Высота420 мм
Масса705 кг
Нормативный документСерия 1.133-1

Стеновые легкобетонные блоки толщиной 40 см по Серии 1.133-1.

НБ-24.4.4П  Перемычечный блок.